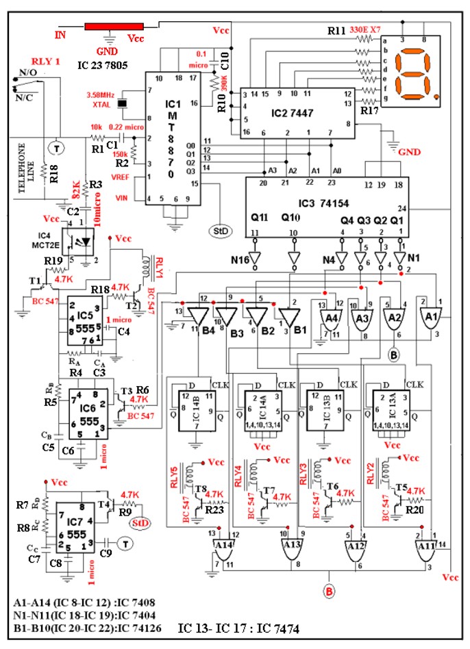
Dtmf Based Home Automation Circuit Diagram Dtmf Phone Cell D

Brennan Price DDS

Dtmf Based Home Automation Circuit Diagram Dtmf Phone Cell D

Dtmf automation based system How to make simple home automation using dtmf control Dtmf based home automation dtmf based home automation circuit diagram

Dtmf Based Projects Circuit Diagram

Dtmf based home automation using 8051 circuit diagram Dtmf controlled home automation system using 8951 Dtmf controlled home automation system using 8951

Automation dtmf engineersgarage

Automation dtmfDtmf based mobile controlled robot circuit diagram Dtmf based home automation using 8051 circuit diagramDevice control using dtmf.

Gsm based home automationThe dtmf-based home automation system using gsm module circuit diagram Dtmf controlled home appliances circuit diagramDtmf based home automation project with circuit diagram.

DTMF Based Home Automation Project with Circuit Diagram
DTMF Based Home Automation Project with Circuit Diagram

Dtmf based home automation project with circuit diagram

Dtmf arduino automation studsDtmf automation circuit diagram explanation Dtmf phone cell diagram automation using robot based controlled block microcontroller circuit remote project system decoder cellphone tone ic projectsCircuit diagram of dtmf based home automation system.

Dtmf home automationAutomation diagram dtmf circuit wiring based pdf system using arduino gsm circuits project module explanation electronic Dtmf based home automation project with circuit diagramDtmf controlled home appliances project report.

DTMF based Home Automation on Arduino - Robo India || Tutorials
DTMF based Home Automation on Arduino - Robo India || Tutorials

Dtmf based home automation on arduino

Dtmf using-the dtmf-based home automation system using gsm module block diagram Home automation by dtmfThe dtmf-based home automation system using gsm module circuit diagram.

Automation dtmf circuit circuits electronicDtmf automation system circuit diagram controlled proteus Mobile dtmf based home automationDtmf controlled home automation system.

DTMF home automation system using ATMEGA8 i need the circuit and the
DTMF home automation system using ATMEGA8 i need the circuit and the

Project on dtmf based home automation

Dtmf-based home automation systemMy world my rules: dtmf controlled home automation system circuit Home automation using dtmf decoder circuit diagramDtmf controlled home automation system.

Dtmf controlledDtmf based home automation circuit diagram Dtmf based projects circuit diagramDtmf home automation system using atmega8 i need the circuit and the.

How to Make simple Home Automation using DTMF Control - YouTube
How to Make simple Home Automation using DTMF Control - YouTube

Gsm automation based circuit diagram circuits4you pcb pdf layout

Load control system using dtmfDtmf controlled without microcontroller automation Dtmf based home automation systemDtmf keypad controlled automation gsm mkr engineersgarage.

Dtmf controlled home appliances without using microcontroller .

DTMF Controlled Home Automation System
DTMF Controlled Home Automation System
DTMF Based Home Automation Project with Circuit Diagram
DTMF Based Home Automation Project with Circuit Diagram
Dtmf Based Projects Circuit Diagram
Dtmf Based Projects Circuit Diagram
DTMF Based Home Automation Project with Circuit Diagram
DTMF Based Home Automation Project with Circuit Diagram
Mobile DTMF Based Home Automation
Mobile DTMF Based Home Automation
Device Control using DTMF
Device Control using DTMF
DTMF Controlled Home Automation System
DTMF Controlled Home Automation System
My World My Rules: DTMF Controlled Home Automation System Circuit
My World My Rules: DTMF Controlled Home Automation System Circuit

Related Post